|
 Product Links 
|
|

Inside SRI

|
| SRI-Newsletter |
 |
Subscribe to our newsletter to receive monthly specials, manufacturer's feature, and electronics news via email. |
|
|
|
See Our latest release of SRI-Newsletter here
|
|
View Our List of Archived Newsletter Articles
|
|

SRI Links

|
|
Visit our Sister Site,
 Distributor of Industrial Products
| |
|
Web Search .. Powered by;
|
|
 |
 |
|
 |
 |
R53 Series
Miniature 30 Amp & 20 Amp Industrial Relays for Automotive Controls, Industrial Timers, and Process Controls
 |
Features
PC board mountableMiniature sizeEpoxy sealedVented cover - fully enclosedSPST & SPDT versionsCut-off nib for vent hole
|

Electrical Characteristics
Contact
Rating: 1 Form "A" (SPST), 30 Amp @ 240 VAC, Rating: 1 Form "C" (SPDT), 20 Amps @ 240 VAC
Coil
Coil Voltages: See Chart
Resistance: 900mW Nominal
Operational Characteristics
Timing Value: Operate & Release Time: 10 - 15 mS
Insulation Characteristics
Dielectric Strength: 1500 VRMS, 60Hz / 1sec.
Environmental Characteristics
Ambient Temperature Range: -55°C to +85°C
Back to Top

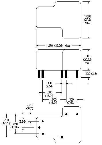
Dimensional Drawings
D33
Contact Arrangment
SPST-NO, 1 Form "A"
 |
SPDT, 1 Form "C"
 |
Back to Top

Part Numbers
| DC OPERATED |
| NTE Type No. |
Nom. Voltage |
Contact Arr. |
Coil Res. Ohms Typ |
Nom. Power |
Max. Contact Current @ 28VDC 240VAC |
Diag. No. |
| R53-1D30-6 |
6VDC |
SPST-NO |
40 |
900mW |
30A |
D33 |
| R53-1D30-12 |
12VDC |
SPST-NO |
155 |
900mW |
30A |
D33 |
| R53-1D30-24 |
24VDC |
SPST-NO |
660 |
900mW |
30A |
D33 |
| R53-5D20-6 |
6VDC |
SPDT |
40 |
900mW |
20A |
D33 |
| R53-5D20-12 |
12VDC |
SPDT |
155 |
900mW |
20A |
D33 |
| R53-5D20-24 |
24VDC |
SPDT |
660 |
900mW |
20A |
D33 |
| R53-5D20-48 |
48VDC |
SPDT |
2550 |
900mW |
20A |
D33 |
| R53-5D20-110 |
110VDC |
SPDT |
13,450 |
900mW |
20A |
D33 |
Back to Top
|
**Specifications subject to changes**
[Go to Search] [Back]
|
|
|
|