Tuesday, April 14, 2026     
     Serving the Electronic Industries for Over 33 Years
Meltric interconnect Multi-pins connectors plugs and receptacles logo
Nte Relays, Capacitors, Resistors, & Pot Trims logo
nichifu Solderless Terminal & Connectors Logo
Concord Hardwares and Connectors logo
     Electronic Components Distributor Logo                        
 Home
  |  View Account   |    Engineer's Corner    |  Contact Us  |  Cross Reference  |  Line Card  |  0 Item
Part Search
NTE Cross Ref. Search
Login
SRI Live Chat Help
call us email us contact us

Product Links

Inside SRI

About SRI
Contact Us
Careers
Link to Us!
Feedback

SRI-Newsletter
Subscribe to our newsletter to receive monthly specials, manufacturer's feature, and electronics news via email.

See Our latest release of SRI-Newsletter here

View Our List of Archived Newsletter Articles


SRI Links

Visit our Sister Site,

Distributor of

Industrial Products

  Web Search ..
  Powered by;

 Printed Circuit Board Relays, R25 Series

R25 Series
10 Amp, SPDT Epoxy Sealed Power Relay

 Features
  • Epoxy sealed for wave soldering & cleaning
  • Upright package type
  • Suitable for 5mm grid pattern
  • Immersion proof
  • Electrical Characteristics Contact
    Rating Resistive Load: 16 Amp @ 250/440 VAC
    10 Amp @ 250/440 VAC
    Contact Material: AgCdO

    Coil
    Coil Voltages: See Chart
    Pick-up Voltages: 80% of rated voltage
    Drop-out Voltage: 10% of rated voltage
    Resistance: See Chart
    Nominal Power: See Chart

    Operational Characteristics
    Timing Value:
                 Operate Time: Approx 8 mS
                 Release Time: Approx 5 mS
                 Max Switching Rate: 20 operations per second

    Insulation Characteristics
    Dielectric Strength:
                 Contact to Coil: 4000 VRMS
                 Across Open Contacts: 1000 VRMS

    Environmental Characteristics
    Operating: -40°C to +70°C
    Mechanical Life: 30 x 106 operations min

    Weight
    Std: 18 grams - approx.

    Back to Top

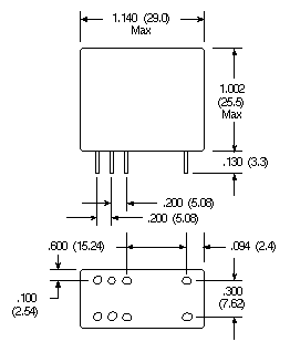
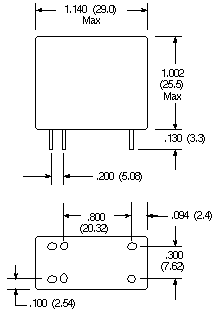
    Dimensional Drawings

    D39a
    D39b Contact Arrangment

    SPST NO, 1 Form "A"
    SPDT, 1 Form "C"
    DPDT, 2 Form "C"

    Back to Top

    Part Numbers
    DC OPERATED
    NTE Type No. Nom.
    Voltage
    Contact
    Arr.
    Coil
    Res.
    Ohms
    Typ
    Nom.
    Power
    Max.
    Contact
    Cur. @
    28VDC
    or
    120VAC
    Diag.
    No.
    AC Operated
    R25-5A16-24 24VAC SPDT 280 - 16A D39a
    R25-5A16-120 120VAC SPDT 5600 - 16A D39a
    R25-11A10-24 24VAC DPDT 280 - 10A D39a
    R25-11A10-120 120VAC DPDT 5600 - 10A D39a
    DC Operated
    R25-1D16-5/6 5/6VDC SPST-NO 68 500mW 16A D39b
    R25-1D16-12 12VDC SPST-NO 270 500mW 16A D39b
    R25-1D16-24 24VDC SPST-NO 1100 500mW 16A D39b
    R25-1D16-48 48VDC SPST-NO 4200 500mW 16A D39b
    R25-5D16-5/6 5/6VDC SPDT 68 500mW 16A D39a
    R25-5D16-12 12VDC SPDT 270 500mW 16A D39a
    R25-5D16-24 24VDC SPDT 1100 500mW 16A D39a
    R25-5D16-48 48VDC SPDT 4200 500mW 16A D39a
    R25-11D10-5/6 5/6VDC DPDT 68 500mW 10A D39a
    R25-11D10-12 12VDC DPDT 270 500mW 10A D39a
    R25-11D10-24 24VDC DPDT 1100 500mW 10A D39a
    R25-11D10-48 48VDC DPDT 4200 500mW 10A D39a

    Back to Top


    **Specifications subject to changes**
    [Go to Search] [Back]


    Page Links

    Electrical Characteristics

    Dimensional Drawings

    Part Numbering



    Back