Saturday, April 4, 2026     
     Serving the Electronic Industries for Over 33 Years
Intervox Speakers & Buzzers Logo
Bourns Potentiometers logo
Ditek Surge Protection logo
Nemco Capactitors Loco
     Electronic Components Distributor Logo                        
 Home
  |  View Account   |    Engineer's Corner    |  Contact Us  |  Cross Reference  |  Line Card  |  0 Item
Part Search
NTE Cross Ref. Search
Login
SRI Live Chat Help
call us email us contact us

Product Links

Inside SRI

About SRI
Contact Us
Careers
Link to Us!
Feedback

SRI-Newsletter
Subscribe to our newsletter to receive monthly specials, manufacturer's feature, and electronics news via email.

See Our latest release of SRI-Newsletter here

View Our List of Archived Newsletter Articles


SRI Links

Visit our Sister Site,

Distributor of

Industrial Products

  Web Search ..
  Powered by;

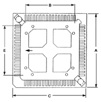
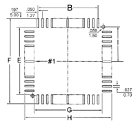
 108 Series PLCC Sockets
PLCC Socket Surface Mount Upgrade with Retention Clip
 Features
  • Accepts "JEDEC" type A, leaded chip carrier
  • Strong Precision contacts to ensure a correct pressure on the J-leg for perfect retention of the chip in the socket
  • Special contact design for high reliability and good withstanding to vibration and shock
  • Polarization in the corner of the sockets avoids wrong insertion of the chip
  • Retention clip for high vibration applications
  • Specifications

    Material
    Contact . . . . . . Phosphor Bronze
    Plating . . . . . . Tin over Nickel
    Insulator body . . . . . . Ryton UL 94V-0

    Electrical
    Contact resistance . . . . . . 10 milliohms
    Insulation resistance . . . . . . 1.000 M ohms @ 500 VDC
    Breakdown voltage . . . . . . 600 V ( 1 min.)

    Mechanical
    Mechanical life . . . . . . min. 50 cycles
    Operating temp . . . . . . -65° C to +220° C
    Retention clip . . . . . . Spring steel, Heat treated


    Pins
    A
    B
    C
    D
    E
    28
    17.60/.693"
    7.62/.300"
    17.60/.693"
    12.70/.500"
    9.60/0.378"
    32
    17.60/.693"
    10.16/.400"
    20.14/.793"
    13.97/0.550"
    9.60/0.378"
    44
    22.68/.893"
    12.70/.500"
    22.68/.893"
    17.78/0.700"
    14.68/0.578"
    52
    25.22/.993"
    15.24/.600"
    25.22/.993"
    20.32/.800"
    17.22/0.678"
    68
    30.30/1.193"
    20.32/.800"
    30.30/1.193"
    25.40/1.000"
    22.30/0.878"
    84
    35.38/1.393"
    25.40/1.000"
    35.38/1.393"
    30.48/1.200"
    27.38/1.078"

    Pins
    F
    G
    H
    I
    28
    19.60/0.772"
    9.60/0.378"
    19.60/0.772"
    6.35/0.250"
    32
    19.60/0.772"
    12.14/0.478"
    22.14/0.872"
    6.35/0.250"
    44
    24.68/0.972"
    14.68/0.578"
    24.68/0.972"
    8.89/0.350"
    52
    27.22/1.072"
    17.22/0.678"
    27.22/1.072"
    10.16/0.400"
    68
    32.30/1.272"
    22.30/0.878"
    32.30/1.272"
    12.70/0.500"
    84
    37.38/1.472"
    27.38/1.078"
    37.38/1.472"
    15.24/0.600"

    Part Builder and Ordering Information
    108

    108 -   28 -   1
         
    Series     Dip
    Number of Contact
      Retention Clip Option
    108     28
    32
    44
    52
    68
    84
          0 = without Retention Clip
    1 = with Retention Clip


    **Specifications subject to changes**
    [
    Go to Search] [Back]


    Page Links

    Part Numbering System


    Back