Saturday, April 4, 2026     
     Serving the Electronic Industries for Over 33 Years
Russellstoll interconnect connectors plugs and receptacles logo
Renata Lithium Button Coin Cells Batteries logo
xytronic Soldering and Desoldering Tools Logo
Sycom Surge Suppression Devices& UPS
     Electronic Components Distributor Logo                        
 Home
  |  View Account   |    Engineer's Corner    |  Contact Us  |  Cross Reference  |  Line Card  |  0 Item
Part Search
NTE Cross Ref. Search
Login
SRI Live Chat Help
call us email us contact us

Product Links

Inside SRI

About SRI
Contact Us
Careers
Link to Us!
Feedback

SRI-Newsletter
Subscribe to our newsletter to receive monthly specials, manufacturer's feature, and electronics news via email.

See Our latest release of SRI-Newsletter here

View Our List of Archived Newsletter Articles


SRI Links

Visit our Sister Site,

Distributor of

Industrial Products

  Web Search ..
  Powered by;

 104 Series DIP Sockets
Closed Frame Wire-Wrap Dip Socket
 Features
  • The closed frame version is designed for use if a solid body is required
  • Side and end stackable
  • High retention design prevents IC walkout during heavy vibrations
  • Pin design absolutely prevents 100% of the solder wicking and flux entrapment
  • Twist free construction
  • Low profile design
  • Specifications

    Material
    Insulator . . . . . . Thermoplastic Polyester Rated 94V-0
    Outer Sleeve . . . . . . Machined Brass/Formed Copper, Tin/Lead, or Gold plated
    Contact . . . . . . Machined Beryllium-Copper, 30m" Gold over Nickel or Tin/Lead plate (see plating options below)

    Electrical
    Current rating . . . . . . 1amp continuous @ 100 VDC per contact
    Contact resistance . . . . . . 10 milliohms @ 200 milliamp
    Insulation resistance . . . . . . 5000 megohm @ 500 VDC

    Mechanical
    Average insertion force with steel pin of 0.43mm / .017" . . . . . . 6.4 oz
    Average withdrawal force with steel pin of 0.43 mm / .017" . . . . . . 2.5 oz
    Mechanical life . . . . . . min. 200 cycles
    Operating temp . . . . . . Gold plated: -55deg C to +125deg C
    Tin plated: -40deg C to +105deg C


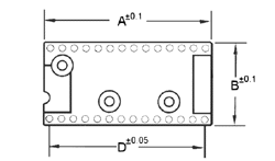
    Pins
    A
    B
    C
    D
    14
    17.76/.699"
    10.14/.399"
    7.62/.300"
    15.24/.600"
    16
    20.30/.799"
    10.14/.399"
    7.62/.300"
    17.78/.700"
    18
    22.84/.899"
    10.14/.399"
    7.62/.300"
    20.32/.800"
    20
    25.38/.999"
    10.14/.399"
    7.62/.300"
    22.86/.900"
    24
    30.46/1.199"
    10.14/.399"
    7.62/.300"
    27.94/1.100"
    24
    30.46/1.199"
    17.76/.699"
    15.24/.600"
    27.94/1.100"
    28
    35.54/1.399"
    17.76/.699"
    15.24/.600"
    33.02/1.300"
    32
    40.62/1.599"
    17.76/.699"
    15.24/.600"
    38.1/1.500"
    36
    45.7/1.799"
    17.76/.699"
    15.24/.600"
    43.18/1.700"
    40
    50.78/1.999"
    17.76/.699"
    15.24/.600"
    48.26/1.900"
    42
    53.32/2.099"
    17.76/.699"
    15.24/.600"
    50.8/2.000"

    Part Builder and Ordering Information
    104

    104 08 -   3 GT 1
         
    Series Number of
    Positions
        Dip
    Spacing
      Plating Pin Length
    104 14
    16
    18
    20
    22
    24
    28
    32
    36
    40
        3 = 7.62/.300"
    6 = 15.24/.600"
          GT = 30µ" Gold contact,
              200µ" Tin outer sleeve
    GG = 30µ" Gold contact,
              10µ" Gold outer sleeve
    TT = 200µ" Tin contact,
              200µ" Tin outer sleeve
    ST = 10µ" Gold contact,
              200µ" Tin outer sleeve
    1 = 6.58/.259"
    2 = 9.12/.359"
    3 = 12.68/.499"
    4 = 18.50/.738"


    **Specifications subject to changes**
    [
    Go to Search] [Back]


    Page Links

    Part Numbering System


    Back